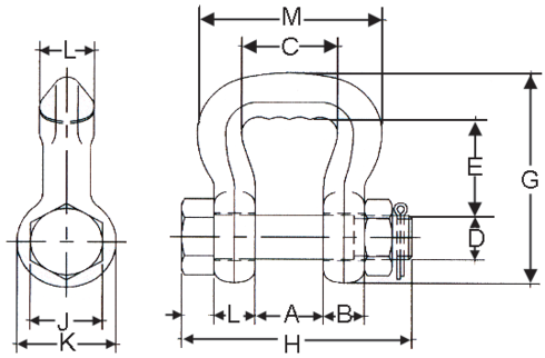
Bolt type Sling Shackle Crosby S-252

The Crosby S-252 Bolt type Sling Shackle is designed to connect slings to steel fittings. Increased radius of bow gives wider sling bearing surface resulting in an increased area for load distribution, thus: Increasing Synthetic Sling efficiency as compared to standard anchor and chain shackle bows

Show more

Part code:

The Crosby S-252 Bolt type Sling Shackle is designed to connect slings to steel fittings. Increased radius of bow gives wider sling bearing surface resulting in an increased area for load distribution, thus: Increasing Synthetic Sling efficiency as compared to standard anchor and chain shackle bows and conventional hooks. This allows 100% of the slings rated Working Load Limit to be achieved.

Allows better load distribution on internal fibers.

Standard: Meets or exceeds all requirements of ASME B30.26 including identification, ductility, design factor, proof load and temperature requirements. Importantly, these shackles meet other critical performance requirements including fatigue life, impact properties and material traceability, not addressed by ASME B30.26.

  • Material: Alloy steel.
  • Marking: According to standard, CE-marked, WLL, traceability code.
  • Standard: EN 13889
  • Safety factor: 5:1