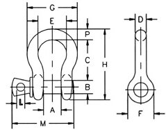
Screw Pin Anchor Shackle Crosby G-209

Screw pin anchor shackles meet the performance requirements of Federal Specification RR-C-271G Type IVA, Grade A, Class 2, except for those provisions required of the contractor.
Proof load: 2 x WLL.

Show more

Part code:

Screw pin anchor shackles meet the performance requirements of Federal Specification RR-C-271G Type IVA, Grade A, Class 2, except for those provisions required of the contractor.
Proof load: 2 x WLL.

  • Material: Carbon steel with headbolt in alloy steel.
  • Marking: According to standard, CE-marked
  • Temperature range: -40° C (-40° F) up to 204° C (400° F)
  • Finish: Hot dip galvanized.
  • Standard: EN 13889, US. FED. SPEC. RR-C-271, ASME B30.26, ISO 2415
  • Safety factor: 6:1
  • Grade: 6
Download Document